This website requires JavaScript.
Explore
Help
Register
Sign In
chenhan
/
DianZhanDemo
Watch
1
Star
0
Fork
0
You've already forked DianZhanDemo
Code
Issues
Pull Requests
Actions
Packages
Projects
Releases
Wiki
Activity
Files
4f74a80dd8ef8e9608e397d6c88df09706b48a34
DianZhanDemo
/
app
/
public
/
Cad_Preview
/
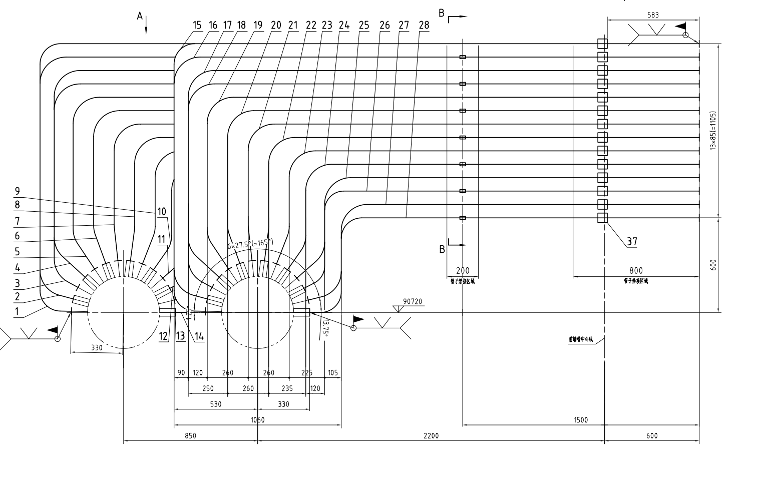
二级过热器出口连接管.png
ch197511161
ddce8fce18
init5
2025-12-11 01:29:41 +08:00
163 KiB
1530x953px
Raw
History